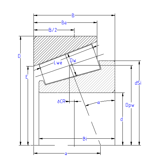
Bei Kegelrollenlagern wird anstelle einer Zylinderrolle eine Kegelrolle verwendet. Der Durchmesser des Wälzkörpers wird für die Mitte der Rolle angegeben und auch die Teilung Dpw wird für die Mitte der Rollen definiert. Das Spiel ist als Axialspiel definiert.

Der Druckwinkel sollte die Richtung der Last sein. Deshalb muss für den Druckwinkel der Winkel des Aussenringes angegeben werden. Die Winkel für die Rolle und den Konus werden dann so berechnet, dass sich alle Konen sich im lastfreien Zustand in einem Punkt schneiden.
Wenn die Axialkraft zu klein ist, kann es zu einem Berechnungsfehler kommen, da das Lager auseinanderfällt. Sie müssen eine ausreichend große Axialkraft eingeben oder stattdessen eine Axialverschiebung vorgeben.
Die Richtung des Druckwinkels kann über die
-Schaltfläche hinter Druckwinkel oder Lagertyp festgelegt werden.
Der Durchmesser der Schulter des Innenrings kann definiert werden. Die Kraft wird in der mittleren Höhe des Absatzes angenommen.

Der Abstand zwischen Lagermitte und Rollenmitte 'δCR' kann auf zwei verschiedene Arten über die
-Schaltfläche definiert werden. Er kann entweder aus dem Abstand zum Druckmittelpunkt 'a' oder aus dem kleinen Innendurchmesser des Aussenringes 'E' umgerechnet werden, indem das entsprechende Flag gesetzt wird. Beachten Sie, dass die Vorgabe von 'E' wiederum 'Dpw' entsprechend ihrer geometrischen Beziehungen modifiziert.